БСС-205
Доступен для скачивания
краткий каталог продукции:
Многоуровневые сигнальные светодиодные лампы предназначены для использования в помещениях, позволяют контролировать технологические процессы с помощью световой и звуковой индикации.
Сигнальные лампы БСС-205 – круглого сечения с одной, двумя, тремя, четырьмя или пятью светодиодными секциями красного, желтого, зеленого, синего и белого цветов. Конструктивно каждый световой сегмент представляет собой 4 платы управления, расположенные по кругу, с припаянными к ним светодиодами (рис. 1, рис. 2).
Области применения
Сигнальные лампы БСС-205 – круглого сечения с одной, двумя, тремя, четырьмя или пятью светодиодными секциями красного, желтого, зеленого, синего и белого цветов. Конструктивно каждый световой сегмент представляет собой 4 платы управления, расположенные по кругу, с припаянными к ним светодиодами (рис. 1, рис. 2).
Области применения
- Станки и конвейеры
- Автоматические ворота и шлагбаумы
- Индикация уровня заполнения в бункерах и резервуарах
| Изображения
| |
![]() | |
| Рис. 1 — светодиоды на плате управления (питание выключено)* | Рис. 2 — светодиоды на плате управления (питание включено)* |
* На рисунках 1 и 2 изображена модель БСС-205-3.
| Габаритные размеры |
![]() |
|
|
|
|
Технические характеристики:
| Параметр
| БСС-205-1(С)
| БСС-205-2(С)
| БСС-205-3(С)
| БСС-205-4(С)
| БСС-205-5(С)
|
| Количество уровней
| 1
| 2
| 3
| 4
| 5
|
| Цвет
| Красный
| Красный и зеленый
| Красный, желтый
и зеленый | Красный, желтый,
зеленый и синий | Красный, желтый, зеленый,
синий и белый |
| Высота уровня
| 64 мм
| ||||
| Диаметр лампы
| 50 мм
| ||||
| Режим работы
| Постоянное свечение
| ||||
| Питание
| ≅24 В или ~220 В
| ||||
| Громкость сирены
| 85 дБ
| ||||
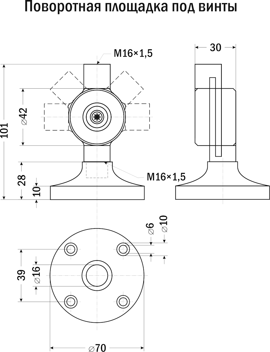
| Крепление
| Кронштейн, площадка под винты или универсальное крепление | ||||
| Степень пылевлагозащиты
| IP40
| ||||
| Температура эксплуатации
| −10...+45°С
| ||||
| Длина провода | 660 мм ±10% | ||||
| Высота в сборе с универсальным креплением на плоскость/стену* | 433/410
±10% | 497/474
±10% | 561/538
±10% | 625/602
±10% | 689/666
±10% |
| Высота в сборе с площадкой под винты/с кронштейном* | 357/355 мм
±10% | 421/419 мм
±10% | 485/483 мм
±10% | 549/547 мм
±10% | 613/611
мм±10% |
*Высота дана для моделей без сирены, модели с сиреной выше на 61 мм
Версия: 2025-04-25-СДГ
| Документ | Дата обновления |
| Паспорт на БСС-205 | 26.04.2025 |

