ДМ-03S
Доступен для скачивания
краткий каталог продукции:
Магнитный датчик ДМ-03S предназначен для остановки пневмоцилиндра в различных положениях для защиты системы
Технические характеристики:
| Параметр | Значение |
| Тип контакта
| НО
|
| Тип датчика
| Геркон
|
| Максимальный коммутируемый ток
| 100 мА
|
| Максимальная коммутируемая мощность
| 10 Вт
|
| Напряжение питания
| ≅5…240 В
|
| Присоединение
| 2-проводное
|
| Температура эксплутации
| −10...+70°C |
| Защита
| IP67
|
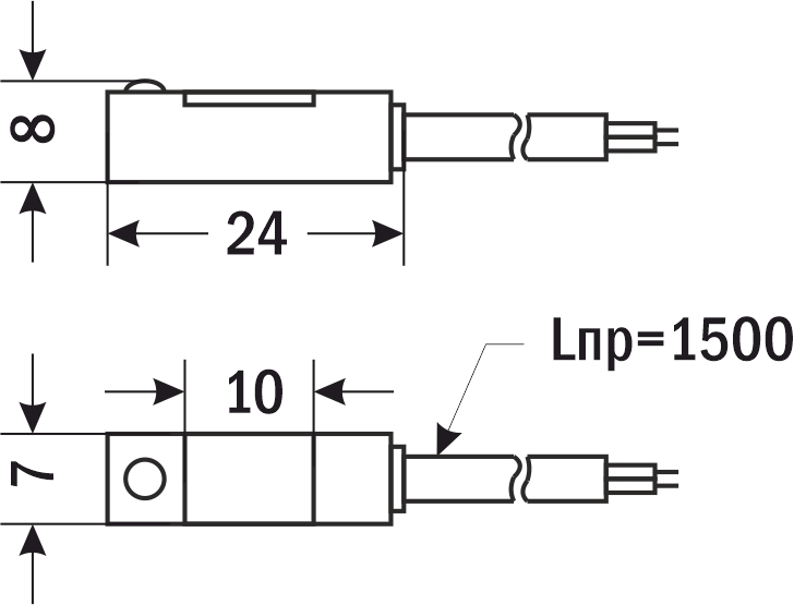
| Габаритные размеры |
![]() |
Версия: 2016-03-29-КВА
