ТТС
Доступен для скачивания
краткий каталог продукции:
Фитинг пневматический прямой ТТС предназначен для соединения двух трубок одинакового диаметра
Технические характеристики:
Технические характеристики:
| Параметр | Значение |
| Тип | Прямой |
| Тип присоединения | Трубка – трубка с монтажными гайками |
| Тип соединения | Нажимное быстроразъемное (цанговое) |
| Внешний диаметр присоединяемой трубки | 4 мм, 6 мм, 8 мм, 10 мм, 12 мм |
| Резьба | M12x1, M14x1, M16x1, M20x1, M22x1 |
| Рабочая среда | Сжатый воздух, вода |
| Рабочее давление
| 0…1,0 МПа |
| Максимальное давление | 1,5 МПа |
| Рабочая температура
| 0...+60°С |
| Материал | Пластик и никелированная латунь |
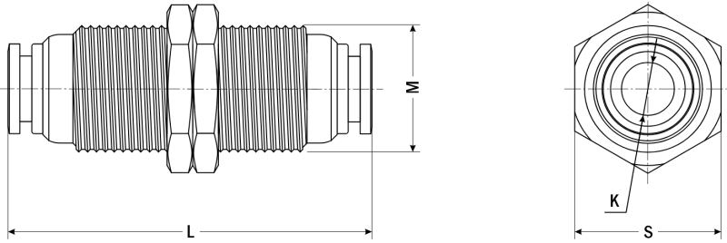
| Габаритные размеры |
![]() |
| Модель
| Размеры, мм
| |||
| L
| S
| K
| M | |
| ТТС-04
| 39
| 14
| 4
| M12x1
|
| ТТС-06 | 31
| 17
| 6
| М14х1
|
| ТТС-08
| 35
| 19
| 8
| М16х1
|
| ТТС-10
| 37
| 24
| 10
| М20х1
|
| ТТС-12
| 38,5
| 24
| 12
| М22х1
|
Версия: 2026-03-20-СДГ
| Документ | Дата обновления |
| Отказное письмо на фитинги | 10.11.2015 |
