УПК22Ф-1
Доступен для скачивания
краткий каталог продукции:
Пневматический клапан нормально закрытый одностороннего действия с угловым поршнем УПК22Ф-1 для управления потоком рабочей среды в трубопроводе. Открывается при подаче управляющего давления на клапан и автоматически закрывается под действием пружины при снятии управляющего давления.
Особенности:
- Клапан нормально закрытый одностороннего действия с пружиной
- Высокая пропускная способность
- Индикатор состояния клапана (красный шток поднят, когда клапан открыт)
- Защита трубопровода от гидравлических ударов благодаря специальной конструкции клапана
- Бесшумная работа
- Долгий срок службы
- Параметры рабочего давления приведены для установки клапана по направлению потока. При установке в обратном направлении максимальное рабочее давление снизится, и будет необходимо более высокое управляющее давление 0,6...0,8 МПа
Для защиты клапана от попадания инородных частиц необходима установка фильтра механической очистки перед входным отверстием крана.
Для герметизации резьбовых/фланцевых металлических соединений рекомендуется использование анаэробных герметиков.
Для герметизации резьбовых/фланцевых металлических соединений рекомендуется использование анаэробных герметиков.
| Параметр
| Значение
|
| Рабочая среда | Пар, вода, горячая вода, воздух, инертные газы, масла, слабые кислоты и щелочи |
| Максимальная вязкость рабочей среды
| 600 мм²/с
|
| Материал | Корпуса корпуса/привода: нержавеющая сталь
Уплотнения: PTFE |
| Температура рабочей среды клапана | −20...+180°С |
| Температура эксплуатации
| −10...+60°С |
| Рабочее давление среды | 0...1,6 МПа |
| Диаметр условного прохода | 15...100 мм
|
| Присоединение | Фланцевое F½"...F4" |
| Управляющая среда
| Воздух, нейтральные газы
|
| Управляющее давление
| 0,4...0,7 МПа |
| Присоединение воздуховодов
| G¼" |
Модификации:
| Обозначение | Ду, мм
|
Дэф,
мм
| Внутр
диаметр привода, мм | Kv, м³/ч | Присоединение
клапана | Присоединение
воздуховодов | Мах
рабочее давление среды, МПа | Вес, г
|
| УПК22Ф-1-050х015 FSP | 15 | 13 | 50 | 5 | F½" | G¼" | 1,6 | 2300 |
| УПК22Ф-1-050х020 FSP | 20 | 18 | 50 | 10 | F¾" | 1,6 | 2500 | |
| УПК22Ф-1-050х025 FSP | 25 | 18 | 50 | 18 | F1" | 1,6 | 2900 | |
| УПК22Ф-1-063х025 FSP | 25 | 22 | 63 | 18 | F1" | 1,6 | 3800 | |
| УПК22Ф-1-063х032 FSP | 32 | 28 | 63 | 23 | F1¼" | 1,6 | 4800 | |
| УПК22Ф-1-063х040 FSP | 40 | 35 | 63 | 33 | F1½" | 1,6 | 5340 | |
| УПК22Ф-1-063х050 FSP | 50 | 42 | 63 | 53 | F2” | 1,2 | 6240 | |
| УПК22Ф-1-080х050 FSP | 50 | 42 | 80 | 53 | F2” | 1,6 | 7860 | |
| УПК22Ф-1-080х065 FSP | 65 | 59 | 80 | 90 | F2½" | 1,2 | 10600 | |
| УПК22Ф-1-100х080 FSP | 80 | 68 | 100 | 150 | F3" | 1,6 | 17000 | |
| УПК22Ф-1-100х100 FSP | 100 | 86 | 100 | 230 | F4" | 1,6 | 22320 |
Расшифровка обозначения на примере клапана УПК22Ф-1-050х015 XYZ:
УПК22Ф – модель клапана.
1 – тип клапана: одностороннего действия.
050 – внутренний диаметр привода.
015 – Ду, мм (диаметр условного прохода).
X – присоединение: F – фланцевое.
Y – материал корпуса клапана: S – нержавеющая сталь.
Z – материал уплотнения: P – PTFE.
УПК22Ф – модель клапана.
1 – тип клапана: одностороннего действия.
050 – внутренний диаметр привода.
015 – Ду, мм (диаметр условного прохода).
X – присоединение: F – фланцевое.
Y – материал корпуса клапана: S – нержавеющая сталь.
Z – материал уплотнения: P – PTFE.
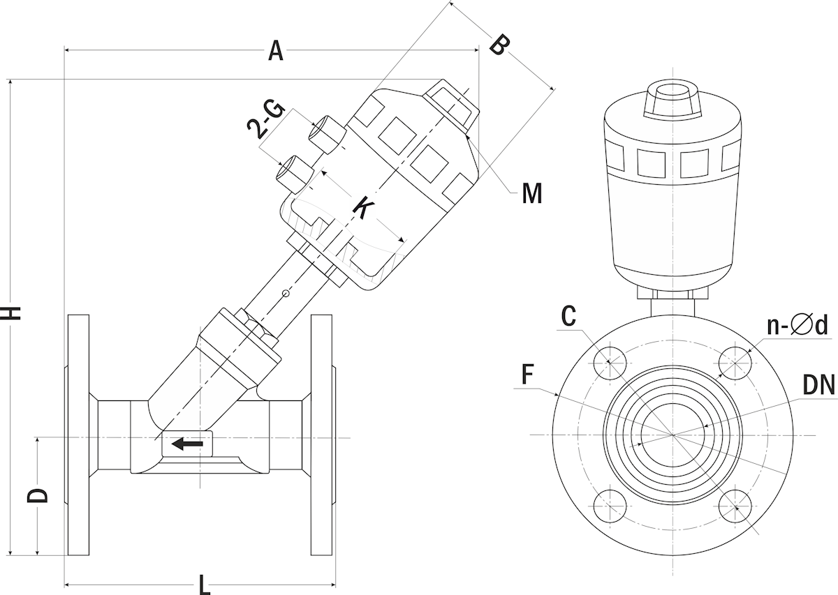
| Габаритные размеры |
![]() |
| Модель | G | F
| DN
| Размеры, мм
| ||||||||
| Внутр.
диаметр привода, К | A
| B
| D
| n-∅ d
| H | L
| C | M | ||||
| УПК22Ф-1-050х015 FSP | ¼" | ½" | 15 | 50 | 180 | 63 | 45 | 4-14 | 195 | 131 | 65 | M26×1,5 |
| УПК22Ф-1-050х020 FSP | ¼" | ¾" | 20 | 50 | 180 | 63 | 50 | 4-14 | 205 | 131 | 75 | M26×1,5 |
| УПК22Ф-1-050х025 FSP | ¼" | 1” | 25 | 50 | 200 | 63 | 57 | 4-14 | 227 | 140 | 85 | M26×1,5 |
| УПК22Ф-1-063х025 FSP | ¼" | 1” | 25 | 63 | 220 | 77 | 55 | 4-14 | 246 | 139 | 85 | M26×1,5 |
| УПК22Ф-1-063х032 FSP | ¼" | 1¼" | 32 | 63 | 230 | 77 | 65 | 4-18 | 265 | 150 | 100 | M26×1,5 |
| УПК22Ф-1-063х040 FSP | ¼" | 1½" | 40 | 63 | 240 | 77 | 70 | 4-18 | 275 | 178 | 110 | M26×1,5 |
| УПК22Ф-1-063х050 FSP | ¼" | 1½" | 52 | 63 | 247 | 77 | 76 | 4-18 | 290 | 195 | 125 | M26×1,5 |
| УПК22Ф-1-080х050 FSP | ¼" | 2" | 50 | 80 | 275 | 97 | 77 | 4-18 | 313 | 195 | 125 | M26×1,5 |
| УПК22Ф-1-080х065 FSP | ¼" | 2½" | 65 | 80 | 295 | 97 | 88 | 4-18 | 335 | 228 | 145 | M26×1,5 |
| УПК22Ф-1-100х080 FSP | ¼" | 3" | 80 | 100 | 350 | 124 | 95 | 8-18 | 390 | 247 | 160 | M36×2 |
| УПК22Ф-1-100х100 FSP | ¼" | 4" | 100 | 100 | 400 | 124 | 105 | 8-18 | 435 | 298 | 178 | M36×2 |
Версия: 2026-02-10-СДГ
| Документ | Дата обновления |
| Паспорт на УПК22Ф-1 | 11.02.2026 |
