ARP-MXY5
Доступен для скачивания
краткий каталог продукции:
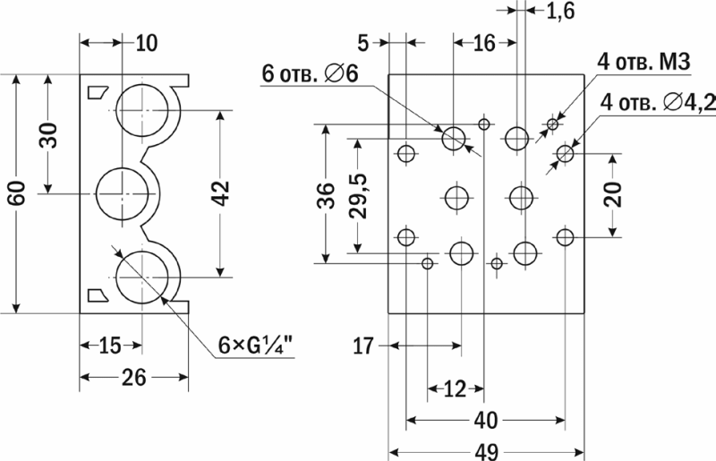
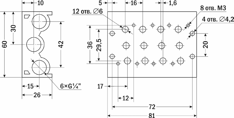
Плиты ARP-MXY5-2F, -4F, -6F используются для компактного размещения единым блоком нескольких пневмораспределителей, объединенных общими портами питания и выхлопа
Технические характеристики:
| Модель | Количество установочных мест | Подсоединение пневмораспределителя | Подключение | Вес |
| ARP-MXY5-2F
| 2
| отверстия ∅6 мм
| G¼"
| 113 г |
| ARP-MXY5-4F
| 4
| 186 г | ||
| ARP-MXY5-6F
| 6
| 262 г |
| Габаритные размеры |
![]() |
| ARP-MXY5-2F |
![]() |
| ARP-MXY5-4F |
![]() |
| ARP-MXY5-6F |
Версия: 2021-12-06-ЛВС


