ARP-MXY3
Доступен для скачивания
краткий каталог продукции:
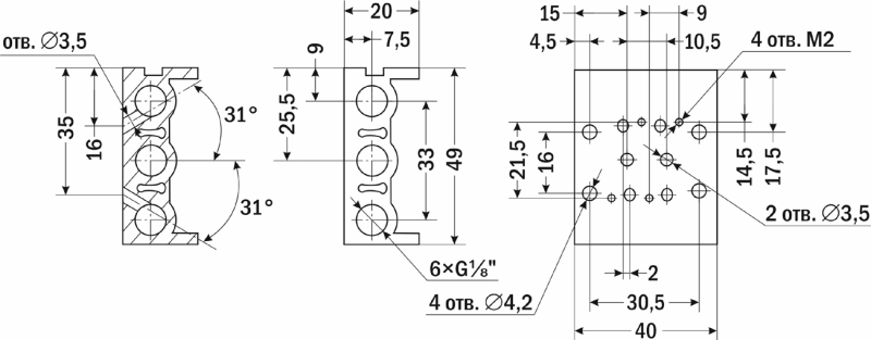
Плиты ARP-MXY3-2F,-4F, -6F используются для компактного размещения единым блоком нескольких пневмораспределителей, объединенных общими портами питания и выхлопа
Технические характеристики:
| Модель | Количество установочных мест | Подсоединение пневмораспределителя | Подключение | Вес |
| ARP-MXY3-2F
| 2
| отверстия ∅3,5 мм
| G⅛"
| 48 г |
| ARP-MXY3-4F
| 4
| 75 г | ||
| ARP-MXY3-6F
| 6
| 104 г |
| Габаритные размеры |
![]() |
| ARP-MXY3-2F |
![]() |
| ARP-MXY3-4F |
![]() |
| ARP-MXY3-6F |
Версия: 2021-12-06-ЛВС


