ПК12-1
Доступен для скачивания
краткий каталог продукции:
Пневматический клапан нормально открытый одностороннего действия с поршнем ПК12-1 предназначен для управления потоком рабочей среды в трубопроводе
Особенности:
Модификации:
Расшифровка обозначения на примере клапана ПК12-1-15/13 XYZ:
ПК12– модель клапана.
1 – тип клапана: одностороннего действия.
15 – Ду, мм (диаметр условного прохода).
13 – Дэф, мм (эффективный диаметр).
X – присоединение: G – трубная резьба.
Y – материал корпуса: B – латунь.
Z – материал уплотнения: P – PTFE.
Версия: 2026-01-19-СДГ
Особенности:
- Клапан нормально открытый одностороннего действия
- Работа при высоких температурах до +150°C
- Пневмопривод в комплекте
- Срабатывание при нулевом давлении
- Плавное открытие/закрытие клапана
- Защита трубопровода от гидравлических ударов благодаря специальной конструкции клапана
- Долгий срок службы
- Параметры рабочего давления приведены для установки клапана по направлению потока. При установке в обратном направлении максимальное давление снизится
Для герметизации резьбовых металлических соединений рекомендуется использование анаэробных герметиков
Для защиты клапана от попадания инородных частиц необходима установка фильтра механической очистки перед входным отверстием соленоидного клапана
Принцип действия и область применения: Нормально открытый пневматический клапан одностороннего действия с поршнем – это клапан, в котором закрытое положение сохраняется при подаче управляющего давления на него. При снятии управляющего давления под действием пружины клапан автоматически открывается и открывает поток рабочей среды в трубопроводе.
В большинстве случаев подходит для эксплуатации в системах водоснабжения, теплоснабжения, вентиляции и пневмоуправления. Особенно актуально применение данного типа клапана, когда клапан должен быть открыт большую часть времени либо когда он обязательно должен быть открыт при снятии управляющего давления.
Технические характеристики:
В большинстве случаев подходит для эксплуатации в системах водоснабжения, теплоснабжения, вентиляции и пневмоуправления. Особенно актуально применение данного типа клапана, когда клапан должен быть открыт большую часть времени либо когда он обязательно должен быть открыт при снятии управляющего давления.
| Параметр
| Значение
|
| Рабочая среда | Пар, воздух, инертные газы, вода, горячая вода, масла |
| Материал | Корпуса клапана: латунь
Корпуса привода: алюминий Уплотнения: PTFE |
| Температура рабочей среды клапана | −20...+150°C
|
| Рабочее давление среды | 0...0,8 МПа |
| Диаметр условного прохода | 15...50 мм
|
| Присоединение | Резьбовое G½"...G2" |
| Управляющая среда
| Воздух, нейтральные газы
|
| Управляющее давление
| 0,4...0,8 МПа
|
| Присоединение воздуховодов
| Резьбовое G⅛"
|
Модификации:
| Модель
| Ду, мм
| Дэф, мм | Диаметр привода, мм
| Kv, м³/ч
| Присоединение | Присоединение воздуховодов
| Вес,
г |
| ПК12-1-15/13 GBP | 15
| 13 | 38
| 4
| ½"
| ⅛" | 380
|
| ПК12-1-20/16 GBP | 20
| 16 | 38
| 5
| ¾"
| 450
| |
| ПК12-1-25/22 GBP | 25
| 22 | 38 | 10
| 1"
| 610
| |
| ПК12-1-40/34 GBP | 40
| 34 | 55
| 25
| 1½"
| 1650
| |
| ПК12-1-50/43 GBP | 50
| 43 | 68 | 40
| 2"
| 2320
|
ПК12– модель клапана.
1 – тип клапана: одностороннего действия.
15 – Ду, мм (диаметр условного прохода).
13 – Дэф, мм (эффективный диаметр).
X – присоединение: G – трубная резьба.
Y – материал корпуса: B – латунь.
Z – материал уплотнения: P – PTFE.
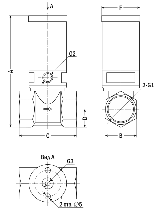
| Габаритные размеры |
![]() |
| Модель
| Размеры, мм
| |||||||
| A
| B
| C
| D
| F
| G1
| G2
| G3
| |
| ПК12-1-15/13
| 103
| 25
| 45
| 14
| 38
| G½"
| G⅛"
| G⅛" |
| ПК12-1-20/16
| 109
| 31
| 50
| 17,5
| 38
| G¾"
| G⅛"
| G⅛" |
| ПК12-1-25/22
| 118
| 38
| 64,5
| 22
| 38
| G1"
| G⅛"
| G⅛" |
| ПК12-1-40/34
| 168
| 54
| 82
| 30,5
| 55
| G1½"
| G⅛"
| G⅛" |
| ПК12-1-50/43
| 177
| 67
| 100
| 37,5
| 68
| G2"
| G⅛"
| G⅛"
|
Версия: 2026-01-19-СДГ
| Документ | Дата обновления |
| Паспорт на ПК12-1 | 20.01.2026 |
