КС-28П
Доступен для скачивания
краткий каталог продукции:
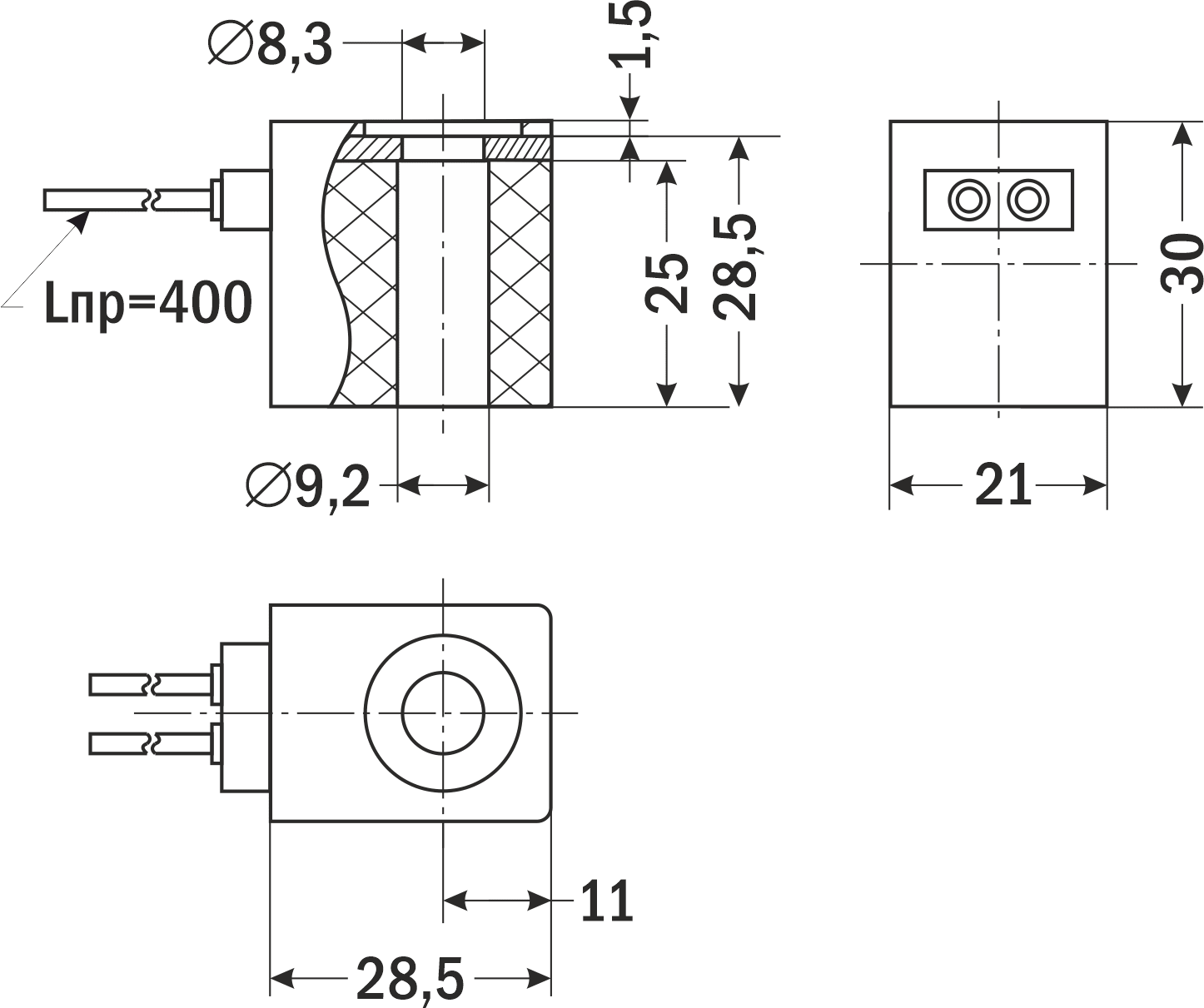
Катушка КС для электромагнитных пневмораспределителей
Технические характеристики:
| Параметр | Значение |
| Модель пневмораспределителя
| КПЭ-СБ, РЭПВ-22, РЭПВ-32, РЭПВ-42, РЭПВ-52, РЭПВ-53 |
| Тип присоединения
| Выводные провода 400 мм
|
| Отверстие под золотник
| ∅ 9,2×H25 мм
|
| Потребляемая мощность | ~6 ВА, =4,8 Вт |
| Напряжение | ~220 В, =24 В, =12 В
|
| Cтепень пылевлагозащиты | IP65 |
| Габаритные размеры |
![]() |
Версия: 2024-06-23-ШАР
