ARG1-22AR
Доступен для скачивания
краткий каталог продукции:
Переключатель ARG1-22AR предназначен для коммутации электрических цепей
Особенности:
* Со стороны лицевой панели.
- Монтаж в плоские панели толщиной до 6 мм, фиксация стопорной гайкой
- Компактный моноблочный корпус, обеспечивающий простоту монтажа
Технические характеристики:
| Параметр | Значение |
| Количество положений
| 2 или 3
|
| Контакты
| 1НО+1НЗ
|
| Исполнение
| С фиксацией
|
| Коммутационная способность | ~5 А, 300 В |
| Присоединение | Винтовые клеммы |
| Подключение подсветки | Пайка или плоские изолированные разъемы НПИ-М2-0528 |
| Питание подсветки | ~220 В, =24 В |
| Материал корпуса | Пластмасса |
| Монтаж | В отверстие панели |
| Диаметр монтажного отверстия | 22 мм |
| Толщина панели | ≤6 мм |
| Степень пылевлагозащиты* | IP44 |
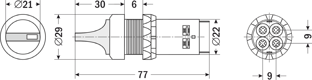
| Габаритные размеры выступающей части | ∅29×30 мм |
| Максимальные габаритные размеры | ∅29×77 мм |
| Монтажная глубина** | 47 мм |
| Вес | 24 г |
** Без учета ответных разъемов.
Модификации:
| Модификация | Количество
положений | Исполнение | Контакты | Цвет (*) | Питание
подсветки (A) |
| ARG1-22AR2P-L110-WU-*A | 2
| с фиксацией
| 1НО+1НЗ
| R: Красный
G: Зеленый Y: Желтый | 220: ~220 В
24: =24 В |
| ARG1-22AR3P-L110-WU-*A | 3
|
| Схема работы и подключения
|
2 положения, с фиксацией |
3 положения, с фиксацией |
| Габаритные размеры |
![]() |
| Схема установки
|
![]() |
Версия: 2025-08-07-СДГ

